- Главная
- Техподдержка
- Статьи
- Квартирные станции VALTEC Control SAT
Квартирные станции VALTEC Control SAT
Сегодня многие компании предлагают комплексное многофункциональное оборудование. Его потребителям уже не приходится задумываться о совместимости тех или иных компонентов систем, тратить время на их подбор. Пользователь получает готовое решение, которое остается только включить в работу. В частности, это касается тепловых пунктов. Если раньше их необходимо было конструировать поэлементно, то сегодня нужно лишь знать входные и выходные параметры системы, чтобы выбрать укомплектованный всем необходимым оборудованием тепловой пункт. Такой подход дает ряд преимуществ, среди которых – компактность, заводская готовность, простота монтажа системы, гарантия сразу на все компоненты. Это выгодно и потребителю, и производителю.
В статье «Квартирные станции VALTEC Control Modul» мы рассказали об одном из комплексных предложений VALTEC и привели выдержки из законов, стимулирующих и способствующих использованию данного оборудования. Эти станции позволяют организовать поквартирный учет расхода тепла и воды, настройку оптимальных параметров потребления ресурсов в существующем жилом фонде с реконструкцией системы отопления. Еще одно комплексное решение VALTEC – квартирные станции VALTEC Control SAT H/HR (рис. 1).

Рис. 1. Квартирная станция VALTEC Control SAT
Станция VALTEC Control SAT представляет собой индивидуальный квартирный тепловой пункт (ИТП) нового поколения – блок-модульный, адаптированный к интеграции в автоматизированные системы сбора данных учета и обеспечивающий настройку оптимальных параметров потребляемых ресурсов. Квартирная станция является экономически эффективной системой энергоучета. Учет расхода воды – холодной и горячей, а также тепловой энергии на отопление и ГВС обеспечивается счетчиками воды и тепла. Благодаря наличию импульсных выходов показания водосчетчика и теплосчетчика можно передавать на пульт диспетчера ресурсоснабжающей организации в режиме реального времени по сетям современного стандарта M-Bus.
В настоящий момент серия VALTEC Control SAT включает в себя исполнения H и HR.
Модель VALTEC Control SAT H (рис. 2) предназначена для высокотемпературной (радиаторной) системы отопления и приготовления воды для ГВС.
Станция VALTEC Control SAT HR (рис. 3) дополнительно укомплектована трубопроводной обвязкой и насосом для обеспечения рециркуляции воды ГВС.
Приготовление горячей воды происходит через пластинчатый теплообменник, который обеспечивает ее нагрев до температуры не менее 60 °С.
![]() Рис. 2. Квартирная станция VALTEC Control SAT H
| ![]() Рис. 3. Квартирная станция VALTEC Control SAT HR
|
Поэлементное устройство станции VALTEC Control SAT показано на рис. 4. Как видно из рисунка, станция оснащена всеми необходимыми элементами для обеспечения комфортного и надежного тепло- и водоснабжения.

Рис. 4. Устройство квартирной станции VALTEC Control SAT HR
Позиция | Наименование |
1 | Трехходовой клапан приоритета ГВС |
2 | Трехходовой смесительный термостатический клапан |
3 | Тройник для подключения ГВС без подмеса (опционально) |
4 | Термостат поддержания минимальной температуры в теплообменнике |
5 | Ограничитель температуры контура ГВС |
6 | Термометр контура ГВС |
7 | Обратные клапаны на входе ХВС и контуре рециркуляции ГВС |
8 | Рециркуляционный насос ГВС (только в модели HR) |
9 | Двухходовой клапан переключения режимов «зима/лето» под двухпроводную электротермическую головку |
10 | Штуцер для датчика температуры теплосчетчика |
11 | Балансировочный клапан настройки расхода сетевого теплоносителя |
12 | Балансировочный клапан настройки расхода высокотемпературной системы отопления |
13 | Перепускной клапан сетевого контура (0,2–0,6 бара) |
14 | Ручной воздухоотводчик |
15 | Дренажный клапан |
16 | Фильтр механической очистки |
17 | Переключающее устройство |
18 | Теплосчетчик |
19 | Водосчетчик |
20 | Изоляционная подложка из вспененного полипропилена |
21 | Пластинчатый теплообменник |
22 | Консоль для крепления шаровых кранов |
23 | Клеммная коробка подключения счетчиков |
24 | Клеммная коробка подключения приводов клапанов и насоса |
В качестве опции доступна установка тройника и трубной обвязки для реализации подачи воды ГВС без смешения (рис. 5 и 6). Иметь такую возможность удобно для подключения бытовой техники, требующей подачи горячей воды, например, стиральной или посудомоечной машины. В этом случае система работает следующим образом:
- холодная вода на входе в станцию разделяется на два потока, один идет на нужды квартиры в холодной воде, а второй – в теплообменник для последующего нагрева;
- перед теплообменником снова происходит разделение потока холодной воды, одна часть идет в теплообменник, а другая отводится в смесительный клапан ГВС;
- холодная вода нагревается в теплообменнике до расчетной температуры, а потом разделяется на два потока, один отводится в смесительный клапан ГВС, а второй подается на вышеупомянутую бытовую технику.
![]() Рис. 5. Квартирная станция VALTEC Control SAT H с ГВС без смешения
| ![]() Рис. 6. Квартирная станция VALTEC Control SAT HR с ГВС без смешения
|
Схемы движения теплоносителя внутри станции показаны на рис. 7–10.
![]() Рис. 7. Схема движения теплоносителя в станции VALTEC Control SAT H
| ![]() Рис. 8. Схема движения теплоносителя в станции VALTEC Control SAT HR
|
![]() Рис. 9. Схема движения теплоносителя в станции VALTEC Control SAT H ГВС без смешения
| ![]() Рис. 10. Схема движения теплоносителя в станции VALTEC Control SAT HR с ГВС без смешения
|
Допустим, каждая квартира оснащается данной станцией. Казалось бы, инженерная система здания усложняется, но это не так. Чтобы понять все достоинства использования данных станций, рассмотрим типовой индивидуальный тепловой пункт многоквартирного жилого здания с закрытой системой ГВС и независимой системой отопления (рис. 11). Отметим: на схеме изображены лишь элементы, необходимые для сравнения решений.

Рис. 11. Типовая схема тепло- и водоснабжения жилого здания
В нашем примере – четыре стояка системы отопления, включая главный стояк, один стояк системы ХВС и два (подающий и рециркуляционный) системы ГВС. В тепловом пункте для приготовления воды для ГВС предусмотрено два водонагревателя (первой и второй ступеней), а также насосное оборудование для обеспечения циркуляции ГВС.
Для сравнения рассмотрим схему тепло- и водоснабжения того же здания, построенную с применением станций VALTEC Control SAT H (рис. 12).

Рис. 12. Схема тепло- и водоснабжения жилого здания с применением квартирных станций VALTEC Control SAT H
Из сравнения схем (рис. 11, 12) вытекают следующие выводы:
- Из здания исчезает целая система трубопроводов ГВС (если необходимо подключение полотенцесушителя, то используются станции VALTEC Control SAT HR с рециркуляцией). Для такого объекта уже не требуется проект горячего водоснабжения, сокращаются сроки монтажных работ и объем материала.
- Значительно сокращаются число отверстий для прокладки сетей в конструкциях, сроки монтажных работ. Упрощается и сам монтаж, так как в данном случае все инженерные сети проходят в одной шахте, а не разбросаны по всему периметру дома.
- Свободный выбор типа системы отопления – одно- или двухтрубная. Теперь потребитель сам выбирает его в зависимости от своих предпочтений и финансовых возможностей.
- Из состава ИТП здания исчезают водонагреватели ГВС. Имеет место экономия на их техническом обслуживании и ремонте. Потребитель получает возможность пользоваться горячей водой круглый год. Каждый потребитель зависит только от собственного теплообменника. Неисправность отдельного аппарата никак не повлияет на ГВС других жильцов.
- Исчезают домовые циркуляционные насосы ГВС. Квартирная станция обеспечивает подачу горячей воды только по потребности, и поэтому экономится значительная часть электроэнергии, расходуемая ранее на постоянную циркуляцию в системе ГВС.
- Упрощается схема и обслуживание домового ИТП.
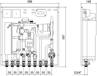
Габаритные размеры станции составляют всего 568´587´148 мм (рис. 13), что позволяет размещать ее внутри санузла или в любом удобном месте квартиры.

Рис. 13. Габаритные размеры квартирной станции VALTEC Control SAT
Рассмотрим пример установки квартирной станции VALTEC Control SAT H в типовой сантехкабине (рис. 14–16).
![]() Рис. 14. Размещение квартирной станции в сантехкабине (вид спереди)
| ![]() Рис. 15. Размещение квартирной станции в сантехкабине (вид слева)
|

Рис. 16. Размещение квартирной станции в сантехкабине (вид сверху)
В сочетании с поквартирными системам отопления (плинтусными или лучевыми) станции VALTEC Control SAT позволяют:
- вести учет потребления энергоресурсов на системы отопления, ГВС, ХВС не только визуальным методом, но и дистанционным, с помощью современного стандарта передачи данных M-Bus;
- осуществлять ручное или автоматическое регулирование теплопроизводительности системы отопления с сохранением тепловой и гидравлической устойчивости системы здания;
- регулировать температуру ГВС в соответствии с индивидуальными потребностями собственников жилья;
- производить полное отключение системы отопления в отдельно взятой квартире для устранения аварий или реконструкции системы, не нарушая теплоснабжения других потребителей;
- выбирать предпочитаемый тип системы отопления (радиаторное, теплый пол и т.д.);
- снизить энергопотребление квартиры и здания в целом;
- сократить длину трубной разводки – для снабжения здания необходимо всего лишь три магистральных трубопровода (Т1, Т2, В1);
- упростить оборудование домового ИТП;
- снизить затраты на снятие и обработку показаний;
- сократить время на монтаж и испытания систем отопления на стадии строительства и как следствие ускорить внутриквартирные строительные работы, что в итоге снизит накладные расходы;
- эффективно организовать процесс сбора и передачи данных коммерческого учета;
- оплачивать фактически потребленные ресурсы.
Статья подготовлена техническим отделом VALTEC.
Все авторские права защищены.
При копировании статьи ссылка на правообладателя и/или на сайт valtec.ru обязательна.









